We bouwen nog
meer radio's
Nu we weer een aantal
zenders hebben gebouwd wordt het tijd dat we ons weer eens met ontvangers gaan
bezig houden
In ons vorige artikel over radio's ging het over buizen en
rechtuit ontvangers , nu gaan we mengen en we gebruiken transistoren
Nou ja
, geen losse transistoren maar meer een hele verzameling in een doosje ,
geintregeerde schakelingen . Het bekende zwarte blokje met veel pootjes wat in
het vorige artikel terloops ter sprake kwam. Het voordeel van deze IC's is dat
het grootste deel van de schakeling welke we willen bouwen al door de fabrikant
is voorgebakken . Zelf hoeven we nog maar een paar componenten toe te
voegen.
De laatste maanden is er
een nieuwe piratenband aan het ontstaan , de 4,5 Mtr band 60 tot 68 M/c net
boven de 5 mtr amateurband . In het verleden was deze band bedoeld voor tv
uitzendingen maar na het stoppen van de analoge uitzending is deze band
alleen nog in Oost europa in gebruik als FM omroep band , Hier in Nederland
worden er op dit moment proeven gedaan door piraten met breedband FM
uitzendingen in stereo . Omdat niet iedereen over een ontvanger beschikt voor
deze frequentie's gaan we er zelf maar een bouwen .
Hiervoor heb ik de keuze
laten vallen op de MC3361 van Motorola . Een IC wat al heel lang gebruikt
wordt voor Lage band VHF ontvangers .
Je komt dit IC bijna overal wel in
tegen , goedkope 2 kanaals 27Mc portofoons , Draadloze 31 en 49 M/c telefoons ,
40 Mc Babyfoon ontvangers , FM afstandsbedienings ontvangers , enz.
Het is een 16 pins IC welke een complete ontvanger huisvest , Mixer ,
Oscilator , MF versterker , FM detector , Squels schakeling in een klein
doosje
Alleen een luidspreker versterker hebben ze vergeten in te bouwen ,
daarvoor nemen we een tweede IC de LM386 / Een 8 pins Ic welke een complete
versterker bevat met een uitgangs vermogen van 1,5 tot 2 watt aan 8 Ohm
Hoewel de 3361 volgens de fabrieks specs eigelijk een smalband FM ic is met
een maximale werkfrequentie van 60 M/c werkt deze in de praktijk tot veel hogere
frequentie's zelf heb ik er wel eens een ontvanger mee gebouwd voor de 2 mtr
band 144 - 146 M/c . Ook zit je niet vast aan dat smalband FM , Op 455 KC MF kun
je er een hele mooie smalband ontvanger mee maken maar het MF deel werkt ook
prima op 10,7 M/c en met de standaard 10,7 driepoot filters heb je een puike
breedband FM ontvanger met een hoge gevoeligheid .
We gaan nu eerst
onderdelen verzamelen , wat hebben we nodig ?
In ieder geval een MC3361 en
een LM386 Dit tweetal is vaak onafscheidelijk , als je ergens een 3361
tegenkomt zit er vaak ook een 386 in de buurt . In mijn geval kwam ik ze tegen
in op een oude babyfoon ontvanger print , alleen was de 3361 in SMD uitvoering .
ik heb hem maar niet losgesoldeerd maar gewoon het hele stuk print met de
doorslijpschijf eruit gezaagd.
De filters waren 455 kc dus die hebben we
maar laten zitten maar uit een oude FM radio kwam een 10,7Mc driepoot filter
plus bijbehorende detector spoel
Ik heb vroeger antenne filters gebouwd en
daarvan had ik nog een doos vol Toko spoelen met ongeveer 6 windingen , als je
die toevallig niet op de plank hebt liggen kun je natuurlijk ook de spoeltjes
zelf wikkelen van blank of verzilverd koperdraad net als bij FM zendertjes ,
ongeveer 6 - 7 windingen vrijdragend . Met het afregelen kun je ze indrukken of
uittrekken
Als afstemcondensator heb ik een oude afstemC uit een FM tuner
van een buizenradio gebruikt je weet wel , iets van 2 x 15 pf , verder
twee trimmers , een handjevol weerstanden , condensatoren en een paar elko's .
Ik heb er geen print voor gemaakt ( sommige amateurs zien daar tegenop als een
berg ) dus gewoon een spinnen web boven een plaatje opstelling . als je dat een
beetje handig doet kan het toch een stabiel geheel worden
.
De onderdelen bron , een
oude babyfoon en een beetje zaagwerk

De
wedergeboorte 

Het
schema :

Een Kortegolf
ontvanger
Het volgende
project is een kortegolf ontvanger met de TDA4100
Laatst bij het
opruimen kwam ik een grote doos ic's tegen welke er door hun uiterlijk erg
"oosteuropees"uitzagen met de wazige aanduiding A4100
Ik kon me deze
ic's nog flauw herinneren ooit maakten ze deel uit van een grote partij
elektronika onderdelen welke na het vallen van de muur
in mijn bezit was
gekomen . Ik heb er ooit datasheets bij gehad maar die waren reeds lang geleden
door de muizen opgegeten .Gelukkig is er tegenwoordig zoiets als internet
en na wat zoek en navraagwerk kwamen de gegeven in mijn bezit .
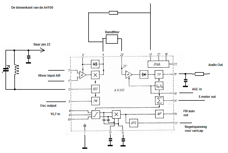
De A4100 is
eigelijk een gewone one chip AM/FM ontvanger zoals je er zoveel tegenkomt in
bijna elke tuner , alleen heeft deze aan paar handige voordelen boven zijn
westeuropeese soortgenoten : er wordt gebruik gemaakt van een single connected
oscilator , dus geen spoel met extra windingen of aftakkingen nodig , verder
bezit deze oscilator een extreem hoge stabiliteit en is de frequentie totaal
onafhankelijk van voeding spannings variatie's , zelfs boven in het KG gebied is
het verloop minder dan 100 hertz wat hem natuurlijk ook erg aantrekkelijk
maakt als stuurtrap voor een zender , hiervoor heb ik hem vroeger al eens
gebruikt . De oscilator heeft ook een interne buffer met buitenaansluiting
bedoeld voor een frequentie counter aansluiting , hier komt al een stevig
signaal af en de oscilator wordt totaal niet beinvloed door belastingsvariatie
van deze uitgang .
Het IC heeft verder een S Meter uitgang welke direct een
100 uA meter kan sturen en een prettig werkende AGC welke ook manueel kan worden
ingesteld
Het AM gedeelte is volgens de sheets bruikbaar van 0,3 tot 30 M/c
maar tot 50 Mc is het IC nog goed bruikbaar , daarboven neemt de ruis toe
.
De AM mixer heeft een gebalanceerde ingang wat waardoor er een zeer goede
onderdrukking is van het oscilator signaal naar de uitgang . behalve voor
"normale"toepassingen is deze mixer ook bruikbaar als direct conversion detector
met audio uit voor een eenvoudige rechtuit ontvanger en zelfs het opwekken van
een DSB zendersignaal behoort tot de mogelijkheden.
Verder zit er nog een
compleet FM Mf en detector gedeelte in welke qua aansluiteingen geheel
geacheiden is van het AM gedeelte maar dat laten we hier maar voor wat het
is wel kan ik nog vermelden dat omschakelen van AM naar FM eenvoudig geschied
door de voeding van pin 17 naar pin 16 om te schakelen. Mieschien dat ik later
nog eens iets met dat FM deel ga doen .
Ook deze ontvanger heb ik maar als
spinneweb boven een plaatje gebouwd
Het Schema 


Je kunt hem
natuurlijk ook maken met een gewone afstemcondensator :

Hier de binnenkant van
de A4100 