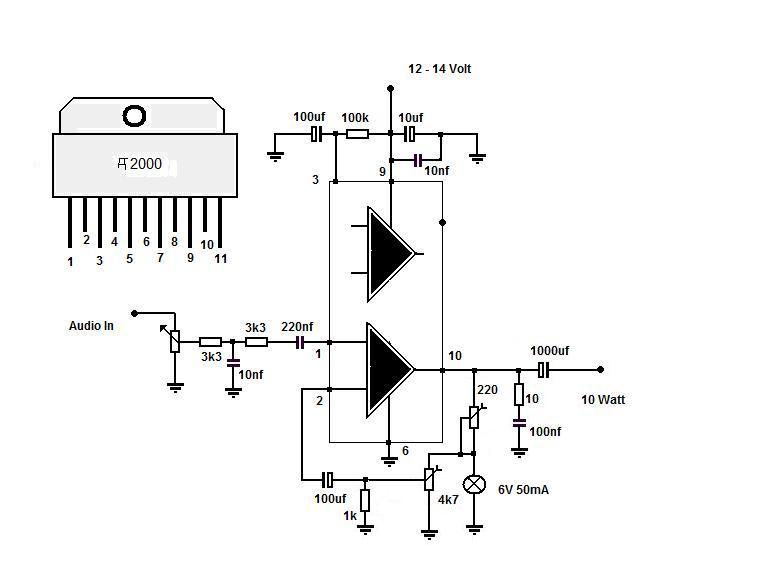
Een eenvoudige 10 watt modulator met de A2000 of de TDA 2005

De A2000 was een IC oorspronkelijk bedoeld als uitgangs
IC voor auto radio's van Oost Duitse makelij
en werd tot voor enkele jaren terug zo ongeveer per kilo prijs
aangeboden in de dump
Ik heb dit IC in verschillende zenders als
modulator gebruikt , hoewel het een Stereo versterker is van 2 x
5 watt heb ik steeds slechts 1 helft gebruikt
waardoor er gemakkelijk een vermogen tot 10 watt kan worden
gehaald , bij de west europeese TDA 2005 haal je dit trouwens
niet , hier blijft het vermogen
bij ongeveer 5 - 6 watt hangen
Het 6 volt lampje zorgt voor een spannings afhankelijke
tegenkoppeling waardoor en een zeer effective compressie ontstaat
welke met de twee
instelpotmeters kan worden ingesteld , met de instelpot van 220
Ohm stel je het punt in waarbij de compressie inzet . op dit punt
zal het lampje
beginnen op te gloeien bij de harde passages , met de instelpot
van 4k7 stel je nu de mate van compressie zover in dat deze
voldoende werkzaam is
zonder dat je een overmatig pompend geluid krijgt
Deze modulator is bij uitstek geschikt voor kleine transistor en
Fet zenders in de groote van 5 tot 12 watt , b.v. met de IRF510
IRF 520 , enz
Maar kan ook zeer goed worden gebruikt voor kleine buizen zenders
met b.v. de EL 84 , 6L6 en zelfs met de 807 .
De voeding van het IC mag niet boven de 14,5 volt komen anders
gaatde interne beveiliging in werking en wordt het IC
afgeschakelt